- Information
-
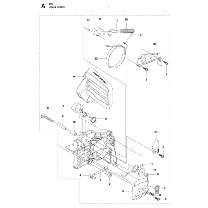
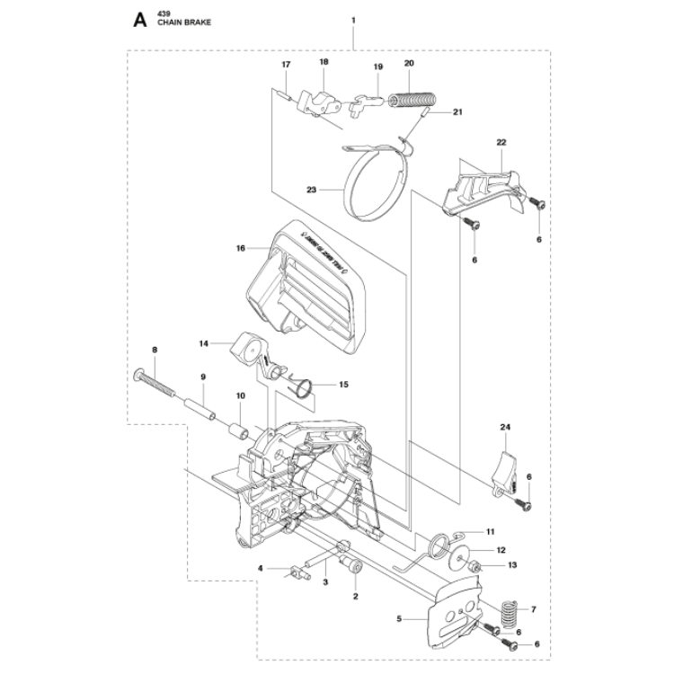
Clutch Cover Assy 439, 5851350-01
Spare part from Husqvarna
Fits, among others:
Husqvarna 439
Would you like to search through Husqvarna exploded views and spare parts? Then please use our spare parts catalogue. Click here to access the spare parts catalogue. Please remember to always verify the correct part number using the exploded view for your machine. - Specifications
-
Manufacturer's part number: 585 13 50-01 , 585135001 - Files
Price history
Price history
Our lowest price 30 days:

Uk - GBP
Sweden - SEK

