- Information
-
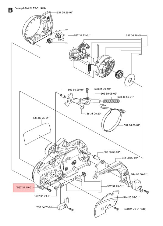
Clutch cover Husqvarna 340, 350, 350, 5373419-01
Spare part from Husqvarna
Fits, among others:
Husqvarna 340 / E
Husqvarna 340/E
Husqvarna 350
Would you like to search through Husqvarna exploded views and spare parts? Then please use our spare parts catalogue. Click here to access the spare parts catalogue. Please remember to always verify the correct part number using the exploded view for your machine. - Specifications
-
Manufacturer's part number: 537 34 19-01 , 537341901 - Files
Price history
Price history
Our lowest price 30 days:

Uk - GBP
Sweden - SEK



