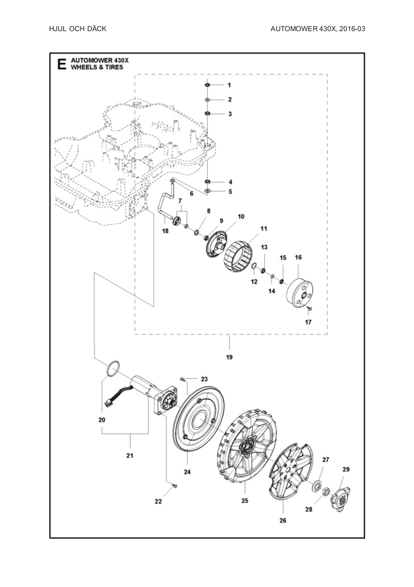
Rear wheel 330X, 430X
582 28 02-02 - Rear wheel
€42.19
Accessories we recommend
Show more
Show less
Your package contains
Total:0
- Information
-
582 28 02-02 - Rear wheel 430X - Specifications
-
Manufacturer's part number: 582 28 02-02 , 582280202 - Files
Price history
Price history
Our lowest price 30 days:

Sweden - SEK
Uk - GBP



