- Information
-
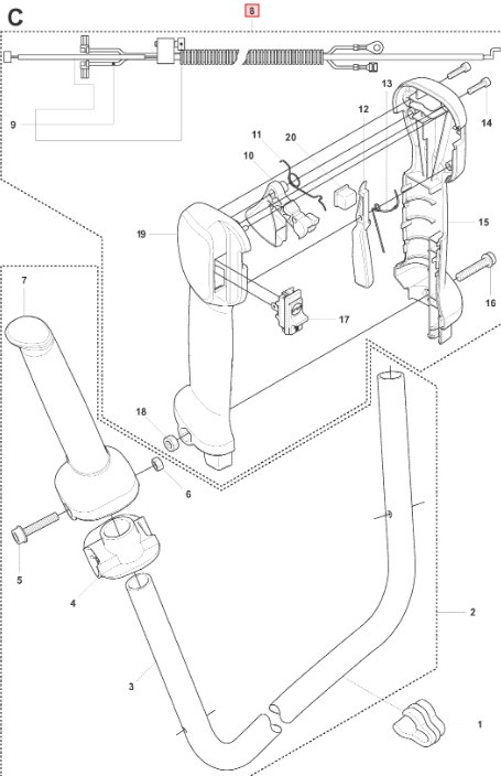
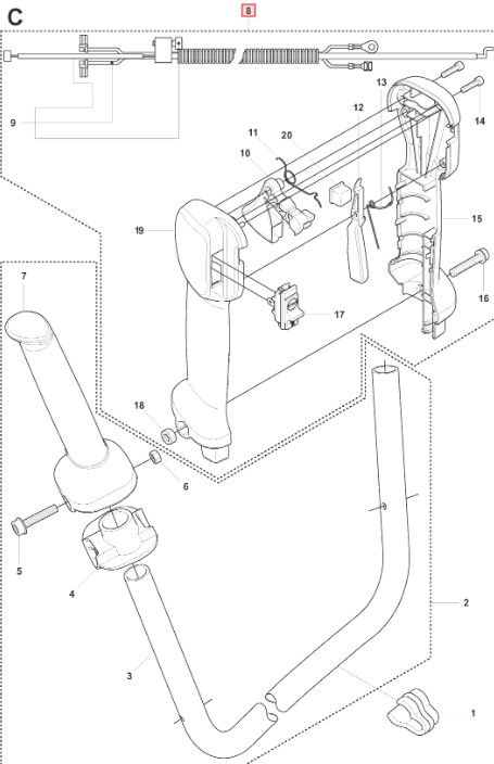
Husqvarna spare part with article number 537424510
Would you like to browse Husqvarna parts diagrams and spare parts? Then use our spare parts catalog. Click here to access the catalog.. - Specifications
-
Manufacturer's part number: 537 42 45-10 , 537424510 - Files
Price history
Price history
Our lowest price 30 days: €73.11

Sweden - SEK
Uk - GBP


