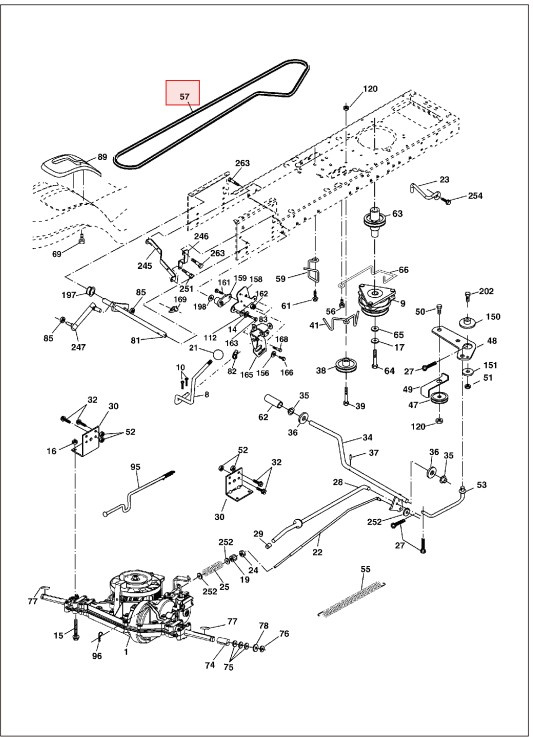
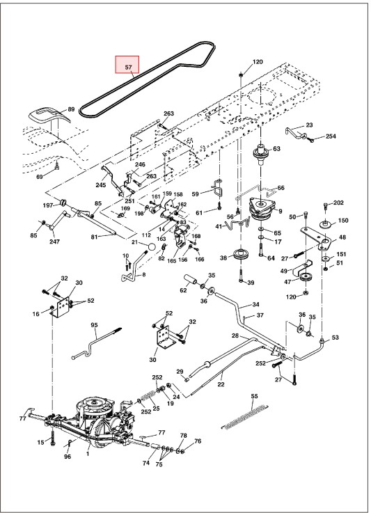
Transmission drive belt Husqvarna YTH2148, YTH2448
€64.69
- Information
-
Strap, 5321781-38
Spare part from Husqvarna
Compatible with:
Husqvarna YTH 2148 (954572035, LO21H48D)
Husqvarna YTH 2448 (96015000103)
Would you like to search through Husqvarna parts diagrams? Then please use our spare parts catalogue. Click here to access the spare parts catalogue. Please remember to always verify the correct part number using the parts diagram for your machine. - Specifications
-
- Files
Price history
Price history
Our lowest price 30 days:

Uk - GBP
Sweden - SEK


