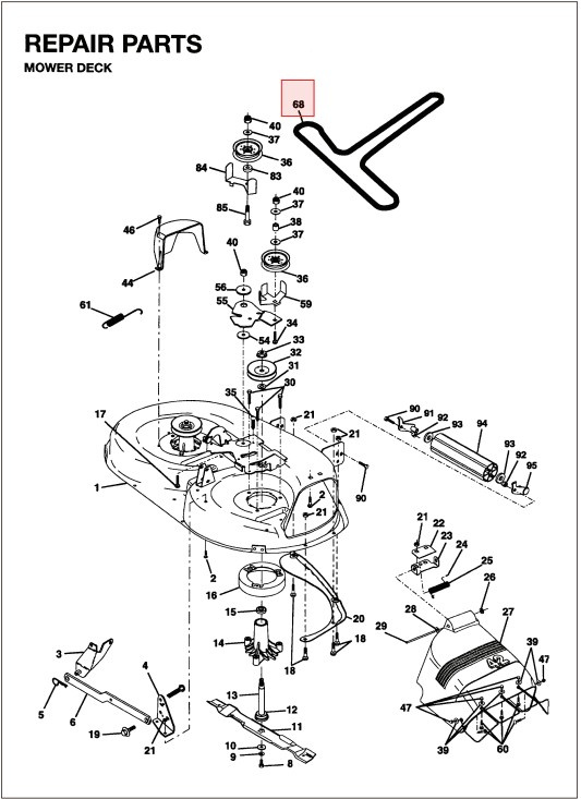
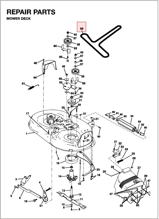
Deck belt LT1238, LT1538, LTH120, LTH130, LTH140 etc
€75.89
- Information
-
Strap, 5321442-00
Spare part from Husqvarna
Fits, among others:
Husqvarna LT 1238 (954567024)
Husqvarna LT 1538 (954569776, HAUB1538B, LT1538, LT1538A, LT1538B, LT1538C, LT1538D)
Husqvarna LTH 120 (954140003, 954140003B, 954140003C, 954140003D, 954140003E, 954140003F, 954140106A, 954140106B, HCLTH120A, HCLTH120B)
Husqvarna LTH 130 (954140005K)
Husqvarna LTH 140 (954001192A, 954001192B, 954001192C)
Husqvarna LTH 145 (954140006A, 954140006D)
Husqvarna YT 130 (HEYT130B, HEYT130J, HEYT130K)
Husqvarna YT 140
Husqvarna YT 150 (954820031, HEYT150A, HEYT150H, HEYT155D, HEYT155E)
Husqvarna YT 155 (954170011, 954170025, HEYT155B, HEYT155D)
Husqvarna YT 160
Husqvarna YT 180
Husqvarna YTH 130 (954170006, HEYTH130G)
Husqvarna YTH 145 (954140015A)
Husqvarna YTH 150 (HFYTH155B, HFYTH155C, HFYTH155D, HFYTH155E)
Husqvarna YTH 160 (954140008A, 954170005, HEYTH160C)
Husqvarna YTH 170 (954110071, 954820131, HAYTH170D, HAYTH170E, HFYTH170D)
Husqvarna YTH 180 (HEYTH180A, HEYTH180C)
Husqvarna YTH 190 (954001972, 954001972A)
Jonsered
Jonsered CT2105R (96091000112)
Jonsered LT 13
Jonsered LTH 15 (954820171)
Jonsered LTH 16
Jonsered LTH 18
Jonsered YTH 16
Would you like to search through Husqvarna exploded views and spare parts? Then please use our spare parts catalogue. Click here to access the spare parts catalogue. Please remember to always verify the correct part number using the exploded view for your machine. - Specifications
-
Manufacturer's part number: 532 14 42-00 , 532144200 - Files
Price history
Price history
Our lowest price 30 days:

Uk - GBP
Sweden - SEK


